Robinia Decline bench

VPRB2305
Loading...

Outdoor fitness is niet langer een rage maar een gevestigde waarde geworden voor je workout. Bewegen in de buitenlucht is niet alleen gezonder maar ook praktischer. Nooit meer gebonden aan openingsuren van fitnesscentra. Het is en blijft een populaire vorm van sporten.

De Robinia decline bench is gemaakt om verschillende spiergroepen samen te trainen. De fitness toestellen zijn ontworpen om te trainen met het eigen lichaamsgewicht. Hij is voorzien van een informatieplaatje met verschillende oefeningen die mogelijk zijn op het toestel. Het toestel is gemaakt uit Robinia hout in combinatie met roestvrij stalen elementen en HPL platen.

 1.284,00

Prijzen zijn excl. BTW, transport- en installatiekosten

Artikelnr. VPRB2305 Categorie

Toon specificaties

Beschrijving

De WORKOUT-serie is ontworpen voor ontwikkeling, fit blijven en terugkeren naar een goede fysieke conditie. Stalen en houten constructies met veel staven en elementen om te trainen met het gewicht van je eigen lichaam.

Modern design, duurzame materialen en kleurmogelijkheden, perfect voor het creëren van een eigentijds outdoor sportveld.

Extra informatie

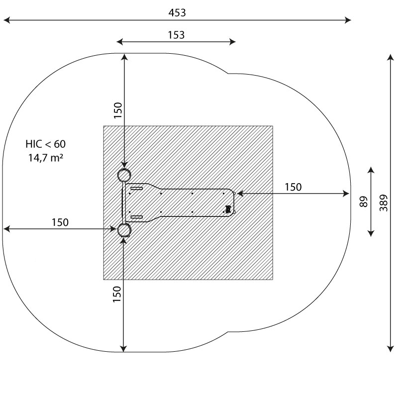
Afmetingen 153 × 89 × 90 cm
Collectie

Valhoogte (cm)

60

Veiligheidszone (m²)

14.7

Leeftijd

13+

Constructie

Robinia

Inclusief

Ja

Zichten

VPRB2305 VPRB2305

Documenten

Ben je op zoek naar DWG bestanden, technische fiches of attesten?
Kies de gewenste bestanden, vul je e-mailadres in en we bezorgen de bestanden in je mailbox.

Waar onze Street Workout toestellen zich in onderscheiden

Closeup Robinia hout fitness en workout serie

Robinia hout

Het acaciahout dat we gebruiken bevat veel oliën die het materiaal zeer goed beschermen tegen weersomstandigheden, rottingsprocessen en ongedierte. Het hout is afkomstig van Europese plantages met FSC©-certificering en andere gecontroleerde bronnen.

De diameter van het Robinia hout voor de Street Workout toestellen is gemiddeld 18 cm.

Turnringen

Veilige turnringen

Certified handles and calibrated chains made of stainless steel, preventing fingers from getting caught, De gecertificeerde turnringen zorgen voor een veilige uitoefening van de trainingen en de gekalibreerde kettingen van RVS voorkomen vingerbeknelling.

Stevige stalen constructies

De stalen constructie is verkrijgbaar in gegalvaniseerd en gepoedercoat staal of in RVS. De constructie heeft een profiel van 100x100mm.

RVS of inox workout serie

Comfortabele handvaten

RVS handvaten met een diameter van 38mm garanderen een comfortabele grip tijdens de oefeningen.

Platen workout serie

Veilige trainingsmuur

De trainingsmuren zijn gemaakt van duurzame HPL platen die bestand zijn tegen weersomstandigheden en intensieve trainingsessies.

Veilige zitjes en rugsteunen

De zitjes en rugsteunen van de fitness toestellen zijn gemaakt van HPL platen. Deze duurzame platen hebben een lange levensduur en zijn bestand tegen alle weersomstandigheden.

Veilige eindkappen

De stalen constructies worden bovenaan afgewerkt met veilige eindkappen. Deze zijn gemaakt van polypropyleen.

Informatieplaatjes fitness en workout serie

Instructieplaatjes

Op alle Workout toestellen zijn instructies voorzien op een aluminium plaatje. Het plaatje wordt bevestigd op een HDPE plaat en vervolgens op de toestellen. De instructieplaatjes zijn bestand tegen alle weersomstandigheden.

Netten workout serie

Touwladders en klimtouwen

De touwen zijn gemaakt van staalkabels in een polypropyleen vlechtwerk. De touwen zijn verbonden met duurzame plastic, aluminium en RVS elementen.